Telefón +49(0)39262 878720

E-mail: gemashop@gema-net.de

WhatsApp: +49(0)17660429928

  • rýchle odoslanie

  • Bezplatná pomoc a poradenstvo

  • Bezproblémové vrátenie tovaru

  • Otvorené 7 dní v týždni

Anhaltinerring 17, 39439 Güsten

Otvorené Po-Št 7:00-17:00; Pia od 7:00 do 16:00; So 9:00 – 12:00

Caleffi  |  SKU: KSG1

Mosadzný regulátor tlaku s manometrom pre vykurovacie systémy príslušenstva kotla

Meno: CALEFFI S.p.a.

Adresa: S.R. 229, n. 25, 28010 Fontaneto d'Agogna (NO) Italy

E-mail: info@caleffi.com

Webová stránka: https://www.caleffi.com/de-de

Európsky výrobca: Áno

Normálna cena 37,13 €
vrátane DPH. Zásielka bude účtovaná pri pokladni.


Doručenie a expedícia

Doba spracovania je zvyčajne 1 pracovný deň. Dodanie balíkov je 1 – 3 pracovné dni. V prípade zasielateľskej dopravy trvá doručenie 3 – 5 pracovných dní. Dodacie lehoty mimo Nemecka sa líšia.

Descripción

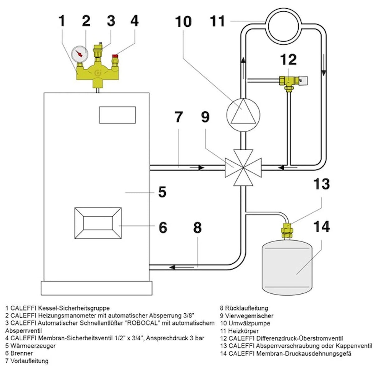
Skupina pre bezpečnosť kotlov 1" Caleffi

Číslo dielu: 302631

Oblasti použitia

Pre uzavreté vykurovacie systémy podľa DIN 4751 do výkonu 50 kW alebo 45 000 kcal/h

poistný ventil 1" pre kotly - 3 bary

Kompletný s rýchloodvzdušňovačom, poistným ventilom a tlakomerom.

Konzola vyrobená z masívnej liatej mosadze MS58.
Vďaka špeciálnemu tvaru sú malé vzduchové bubliny obsiahnuté vo vykurovacej vode násilne smerované do automatického rýchloodvzdušňovača Caleffi.

Dolné pripojenie s 1" Vnútorný závit pre pripojovacie potrubie k zdroju tepla.

Predtvarovaná polystyrénová škrupina podľa DIN 4102-A1 ako izolácia.

Rozsah dodávky:

  • Skupina pre bezpečnosť kotlov Caleffi 1"
  • Izolácia pre skupinu kotlov
  • Tlakomer pre skupinu kotlov
  • Poistný ventil pre skupinu kotlov

Technické údaje: Bezpečnostná skupina kotla

  • Pripojenie s vnútorným závitom 1"
  • Tlakomer kúrenia ¼"
  • Automatický uzatvárací ventil 3/8"
  • Maximálna prevádzková teplota: 110 °C
  • Poistný ventil 3 bary
  • Izolácia z polystyrénového plášťa DIN 4102-A1
  • Možno použiť do 50 kW
  • Rozmery 19,4 x 17,6 x 7,2 cm

Bezpečnostná skupina pozostávajúca z:

Tlakomer kúrenia 3/8", Ø 63 mm, so zelenou vlajkou a červeným ukazovateľom nastavenia, kovové puzdro. Automatický uzatvárací ventil 3/8" x 1/4" umožňuje jednoduchú výmenu bez vyprázdnenia systému.

Automatický odvzdušňovač CALEFFI „ROBOCAL“ s automatickým uzatváracím ventilom; mosadzná konštrukcia; vysoko kvalitný plastový plavák; spoľahlivý ventil. Pripojenie 3/8" s tesnením O-krúžkom.

Membránový poistný ventil CALEFFI 1/2" 3x/4", testované komponenty; kompaktný mosadzný dizajn; nastavený tlak 3 bary pre výkon do 50 kW alebo 45 000 kcal/h.

platba & Bezpečnosť

Možnosti platby

  • American Express
  • Apple Pay
  • Bancontact
  • BLIK
  • EPS
  • Google Pay
  • iDEAL
  • Klarna
  • Maestro
  • Mastercard
  • MobilePay
  • PayPal
  • Przelewy24
  • Shop Pay
  • Union Pay
  • Visa

Vaše platobné informácie sú spracované bezpečne. Neukladáme ani nepristupujeme k informáciám o vašej kreditnej karte.

Kontaktujte nás

5
reviews
See all reviews